Thermad Brink brengt geïntegreerd toestel voor passiefhuizen op de markt
Thermad Brink vond met het Passiefhuistoestel een geïntegreerde oplossing voor duurzaam verwarmen, ventileren met hoog rendement, warmteterugwinning en warmwatervoorziening voor woningen die voldoen aan de passiefhuisnorm. De oplossing zoekt naar de perfecte balans tussen comfort en energiebesparing.

De actuele ontwikkelingen met betrekking tot de doelstellingen van CO2-reductie in Europa hebben verdergaande energiebesparing in de gebouwde omgeving nadrukkelijker op de maatschappelijke agenda gezet. Met het Passiefhuistoestel wil Thermad Brink bijdragen aan het mondiale klimaatprobleem.
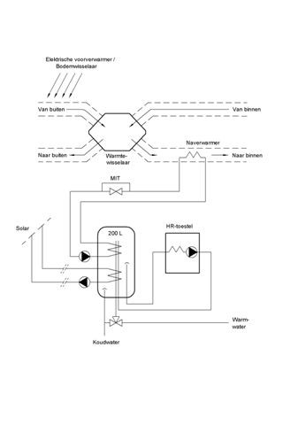
Met een zonnecollector wordt warmte opgewekt en opgeslagen in een boilervat. Het HR CV-toestel met HR 107 rendement verwarmt de bovenste 80 liter na, indien te weinig zonne-energie voorhanden is. Vanuit het vat wordt het warm tapwater geleverd en wordt ook de naverwarmer achter de Renovent HR warmteterugwintoestel gevoed. De Renovent HR wint de warmte terug uit de ventilatielucht terwijl de naverwarmer de verse buitenlucht opwarmt. Doordat het Passiefhuistoestel geleverd wordt in twee uitvoeringen, is het mogelijk te verwarmen met verse ventilatielucht of met convectorradiatoren. Een combinatie van beide is ook mogelijk. Bij één van de uitvoeringen is het mogelijk extra vermogen te benutten voor bijvoorbeeld convectorradiatoren.

Het Passiefhuistoestel is geschikt voor nieuwbouwwoningen die bijna energieneutraal zijn, zogenaamde Passiefhuizen. Deze woningen voldoen aan strenge randvoorwaarden ten aanzien van energieverbruik en de PHPP-berekening (PassiefHuis Projecterings Pakketberekening). De netto energievraag voor de verwarming van deze woning vraagt 15 kWh/m² voor ruimteverwarming en 20 kWh/m² voor het primair totaal inclusief huishoudelijk gebruik (48 kWh/m² na de centrale). Ze moeten eveneens beschikken over een goed geïsoleerde schil waarbinnen het overal comfortabel is. Het ontwerp van de woning moet dusdanig zijn dat de woning met een minimum aan installatietechniek kan worden verwarmd en niet mechanisch hoeft te worden gekoeld. Er mag geen gas, water en elektra aanwezig zijn. Het concept is ook geschikt voor renovatieprojecten.

Geïntegreerd toestel
Het Passiefhuistoestel van Thermad Brink is het eerste geïntegreerde toestel waarin verschillende disciplines in één compact toestel zijn samengebracht. Door de unieke regeling en door het samenbrengen van alle componenten in één toestel wordt de kans op installatiefouten verkleind en is het maximale resultaat gewaarborgd.
Het principe
De basis is het warmteterugwintoestel Renovent HR Large met een capaciteit van 400 m³/h. Het zorgt voor een gezonde en comfortabele ventilatie met warmteterugwinning. Hiermee wordt ook voldaan aan de ventilatie-eis. Op basis van de warmteverliesberekening wordt de lucht over de vertrekken verdeeld. Met 400 m³/h bij een inblaastemperatuur van 48°C kan maximaal 3,5 kW aan verwarmingsvermogen worden toegevoerd. De Renovent HR verplaatst afhankelijk van de warmtevraag, afzuigcomfort en vrijekoelvraag tussen de 150 en 400 m³ lucht op een comfortabele wijze, de bewoner kan dit middels een eenvoudige standenschakelaar regelen. Het toestel wordt ook uitgerust met een voorverwarmer die het mogelijk maakt bij buitentemperaturen lager dan 0 ˚C de gevraagde hoeveelheid buitenlucht aan te zuigen en daar middels warmtewisseling de warmte uit de afvoerlucht aan mee te geven. De voorverwarming wordt gerealiseerd door middel van een elektrische voorverwarmer of grondbuis.

Energiezuinig
Door toepassing van balansventilatie met warmteterugwinning wordt bijna alle warmte teruggewonnen. De Renovent HR zorgt voor een beduidende energiebesparing tot wel 95% ten opzichte van een traditioneel ventilatiesysteem. Het toestel zorgt dus niet alleen voor een optimaal binnenmilieu, maar komt ook het mondiale milieu ten goede. Door gebruik van zonnecollectoren kan een energiebesparing worden bereikt van 55% op warm tapwater. Daarnaast kan er een aanzienlijke besparing op de ruimteverwarming gerealiseerd worden.
